kuebler_signalgeber_5000


Google-Suche auf MEINE-SCHALTUNG.de :





Online Rechner

Chronik

Dauerkalender


Stromstoßschalter

Impulsschalter mit 3 Relais


Schütze und Relais


Der mit drei Schützen konstruierter Stromstoßschalter (Impulsschalter) gehört zu den Klassikern der „Klick-Klack“ – Steuerungstechnik. In der Zeit, als SPS-Steuerungen noch nicht so intensiv verbreitet waren, wie es heute der Fall ist, war diese Schaltung stark verbreitet. Darüber hinaus eignet sich diese Troika-Komposition sehr gut für Lernzwecke. Wer dahinter kommt, wie diese Schaltung funktioniert, hat Schütze und Relais voll im Griff. Hier wird nämlich nicht nur einfach geschaltet, hier wird auch ein wenig getrickst. Wer diese Schaltung nachbaut, wird schnell feststellen, dass sie äußerst eigenwillig ist und funktioniert nur dann, wenn sie es für richtig hält. Eine Schaltung mit Charakter.

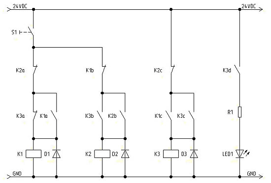
Für die Schaltung werden drei Relais benötigt, die jeweils über Schließer- und Öffner-Kontakte verfügen:

K1 – 2 x Schließer / 1 x Öffner
K2 – 1 x Schließer / 2 x Öffner
K3 – 3 x Schließer / 1 x Öffner

Hinzu kommen ein Taster und eine Leuchte, die geschaltet werden soll. In dem Test übernimmt die Rolle eine einfache Leuchtdiode. Der Verdrahtungsaufwand ist überschaubar. Da die Schaltung mit unterschiedlichen Relais / Schützen getestet wird, werden die Kontakte auf dem Schaltplan einfach mit a, b usw. bezeichnet. Auf dem Schaltplan entspricht ein geöffneter Kontakt einem Schließer, ein geschlossener Kontakt einem Öffner. Drei weitere Leuchtdioden werden bei einem Test an die Spulen der Schütze, um die Schaltvorgänge besser zu visualisieren, angeschlossen. Sie werden auf dem Schaltplan nicht berücksichtigt.

Grundschaltplan

Grundschaltplan


Test 1

Die erste Testschaltung bauen wir mit drei industriellen Steuerungsschützen von Siemens auf. Alle Tests werden mit 24VDC durchgeführt.

Testschaltung mit Schützen

Testschaltung mit Schützen

Und so funktioniert es:

Nachdem die Spannung eingeschaltet wurde, bleiben alle drei Schütze zunächst aus. Folglich leuchtet auch unsere Leuchtdiode nicht.
Sobald der Taster S1 betätigt wird, zieht der Schütz K1 an. Das ist möglich, da die Schütze K2 und K3 aus sind und ihre Kontakte K2a und K3a zu diesem Zeitpunkt geschlossen bleiben. Der Kontakt K1b öffnet und hindert K2 weiterhin am Anziehen. Der Kontakt K1c schließt, das Relais K3 zieht an und geht über den Kontakt K3c in Selbsthaltung. Der Kontakt K3d schließt ebenfalls und bringt unsere Leuchtdiode LED1 zum Leuchten.
Nachdem wir den Taster losgelassen haben, fällt der Schütz K1, der sich bis dato über seinen Schließer K1a selbsthalten konnte, ab. Es bleibt nur der Schütz K3 an.
Beim erneuten Betätigen des Tasters S1 kann der Schütz K1 diesmal nicht anziehen. Der Schütz K3 ist immer noch an und sein Kontakt K3a geöffnet. Dagegen kann diesmal der Schütz K2 anziehen. Das ist möglich, da die Kontakte K1b und K3b geschlossen sind. Gleich nachdem er angezogen hat, hält er sich über seinen Schließer-Kontakt K2b selbst. Gleichzeitig verursacht der Schütz K2, dass der Schütz K3, da der Kontakt K2c geöffnet wird, abfällt. Die Leuchtdiode geht aus. Zwar ist K3 jetzt aus und sein Öffner-Kontakt K3a wieder geschlossen, doch K1 kann trotzdem nicht anziehen. Der Kontakt K2a ist jetzt geöffnet. In dieser Runde bleibt der Schütz K1 außen vor. Erst dann, wenn der Taster S1 losgelassen wird, fällt der Schütz K2 ab und der Vorgang kann wiederholt werden.

Auf dem Kurzvideo kann man sehen, dass die mit Steuerchützen aufgebaute Schaltung sich stabil verhält und einwandfrei funktioniert.

Test 2

Testschaltung mit Finder Relais

Testschaltung mit Finder Relais

Der zweite Test wird mit Relais von Finder durchgeführt. Es werden abwechselnd unterschiedliche Relais gleicher Baureihe (Finder Type 55.34, 24VDC) eingesetzt. Die Verdrahtung ist identisch. Hier kann man sehen, dass einwandfreie Funktionalität der Schaltung nicht immer gegeben ist. Die Relais sind nummeriert, damit man sehen kann, dass manche Relais-Kombinationen machen, was man von ihnen erwartet, andere dagegen nicht. Es nehmen insgesamt acht Relais an dem Test teil.
Auch in diesem Fall müsste die Leuchtdiode LED1 bei jedem Tastendruck an- und ausgehen. Auf dem Kurzvideo kann man jedoch erkennen, dass es diesmal nicht immer klappt. Man kann zwar die Leuchtionen jedes Mal zum Leuchten bringen. Die Abschaltung klappt dagegen nur gelegentlich.

Die Tests im Einzelnen:

1. 1-4-8 und 1-6-8 funktionieren einwandfrei
2. 1-4-7 und 3-2-7 funktionieren nicht
3. 5-7-8 und 5-4-3 abwechselnd

Test 3

Testschaltung mit FRT5 Relais

Testschaltung mit FRT5 Relais

Beim Test mit Miniaturrelais FRT5 konnte sich kein Erfolg einstellen. Die Relais, da sie zu wenig Kontakte haben, wurden paarweise verschaltet. Die Schaltung funktioniert nicht.

Warum funktioniert die Schaltung nicht immer?
Die meisten Probleme tauchten bei Abschaltung auf. Was muss passieren, damit es einwandfrei funktioniert? Das Relais K3 ist angezogen, Leuchtdiode LED1 ist an. Es wird der Taster S1 betätigt. Das Relais K2 beginnt anzuziehen. Zuerst werden seine Öffner-Kontakte K2a und K2c geöffnet. Das passiert noch bevor sein für die Selbsthaltung verantwortliche Schließer-Kontakt K2b geschlossen hat. Da der Kontakt K2c geöffnet hat, fällt automatisch das Relais K3 ab. Jetzt kommt es zur Entscheidung. Da K3 abfällt, macht folglich sein Schließer Kontakt K3b auf. Die Frage, die sich jetzt stellt, lautet: Schafft das Relais K2 komplett anzuziehen, inklusive seinen Kontakt K2b zu schließen, noch bevor K3b öffnet und es daran hindert? Schaft es nämlich nicht, kann es nicht in Selbsthaltung gehen und fällt, bevor es richtig angezogen hat, wieder ab. Darauf wartet nur das Relais K1. Es zieht an, K3 wird folglich ebenfalls angezogen und die Leuchtdiode, die gerade kurz abgeschaltet wurde, geht wieder an.
Hier sehen wir, dass die Schaltung nur unter bestimmten Voraussetzungen funktionieren kann. Es muss sichergestellt werden, dass bei den teilnehmenden Schützen bzw. Relais das Schließen der Kontakte bei einem Relais schneller erfolgt als das Öffnen bei anderen. Hat gerade der Kontakt K2c geöffnet, muss das Relais K3 noch ein „Weilchen“ die Stellung halten, bis K2 sicher in Selbsthaltung gekommen ist.
Wie der praktische Test zeigt, tritt das gewünschte Verhalten nicht immer auf.

Abhilfe

Schaltung angereicht mit einem Kondensator

Schaltung angereicht mit einem Kondensator

Schaltung mit Freilaufdioden

Schaltung mit Freilaufdioden

Die gewünschte Schaltreihenfolge kann man z.B. mit einem kleinen Kondensator, der parallel zur Spule K3 angeschlossen wird, erzwingen. Dadurch verzögert man das Abfallen des Relais. Jetzt funktioniert die Schaltung.
Eine weitere Möglichkeit ist, die störenden Induktionsspannungen mit Freilaufdioden zu unterdrücken. Auch jetzt funktioniert die Schaltung. Ein kompletter Schaltplan mit Freilaufdioden würde wie folgt aussehen:

Schaltplan mit Freilaufdioden

Schaltplan mit Freilaufdioden

Kurzvideo


Weitere Themen:


Google-Suche auf MEINE-SCHALTUNG.de :


Home Impressum Datenschutz