Ultraschallsensor Pepperl und Fuchs


Google-Suche auf MEINE-SCHALTUNG.de :





Online Rechner

Chronik

Dauerkalender


Motorsteuerung -Einmal Drehen-

mit Relais


Motor und Initiator

Motor mit Initiator

Die nächste Schaltung gilt einem Motor und soll dafür sorgen, dass der Motor nach dem Start nur eine Drehung ausführt. Die Start- und Stoppposition des Motors wird dabei mit einem Sensor bestimmt. Die Aufgabe der Schaltung ist schnell definiert:

- Mit einem konstant anliegenden Signal wird der Motor gestartet und in Bewegung gehalten.
- Nach Erreichen des Sensors „In Position“ wird der Motor abgeschaltet
- Neustart erfolgt erst, wenn das Startsignal abfällt und wieder angelegt wird.

An der Steuerung nehmen drei Relais teil. Die Relais K1 und K3 sind reine Steuerungsrelais. Sie verarbeiten nur Steuerungssignale. An dieser Stelle könnte man auch mit Steuerungsschützen arbeiten. Das Relais K2 ist ein Lastrelais. Es schaltet den Motor. Bei größeren Lasten würde man hier einen Leistungsschützen einsetzen. Das Leistungsrelais muss immer an die Last angepasst werden. Die entscheiden Informationen darüber liefert stets das Motor-Typenschild. Das Relais K4 vervielfältigt lediglich das Signal des Position-Sensors B1.

RT424012

RT424012

Notizbuch: RT424012

FRT5

FRT5 12 VDC

Notizbuch: FRT5

Initiator von Turck

Induktiver Näherungsschalter von Turck

Notizbuch: Initiator 4602032 Turck

Bei den Relais K1, K3 und K4 handelt es sich um die FRT5 Miniaturrelais. Das Leistungsrelais K2 ist ein Schrack RT424012. Die Rolle des Positionssensors spielt der induktive Näherungsschalter TURCK 4602032. Bei dem Motor (ohne Angaben) handelt es sich um einen 24 VDC Gleichstrommotor mit Getriebe, der in diesem Fall mit 12 V betrieben wird.

Gleichstrommotor

Gleichstrommotor

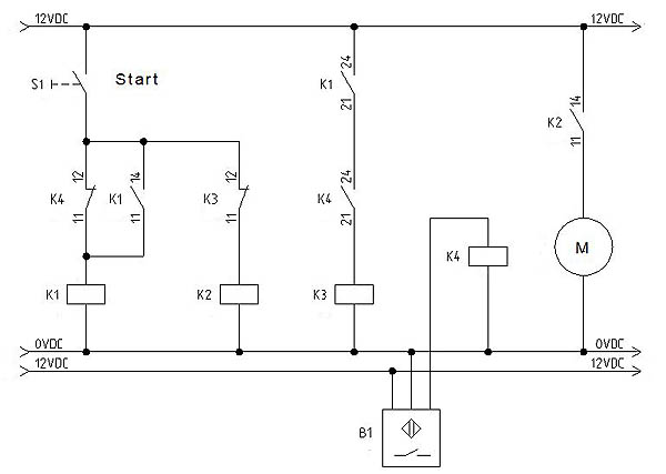
Der Schaltplan

Schaltplan

Schaltplan


In der Ausgangsposition steht der Motor an dem Position-Sensor B1, das Relais K4 ist angezogen. Nachdem das Startsignal angelegt wird, simuliert hier mit dem Taster S1, wird das Relais K2 angezogen und der Motor dreht. Das ist möglich, weil das Relais K3 noch nicht aktiv ist. Der Kontakt K3(11-12) ist geschlossen und folglich kann K2 zu diesem Zeitpunkt problemlos eingeschaltet werden. Sobald der Motor den Sensor B1 verlässt, öffnet der Kontakt K4(21-24) und sorgt dafür, dass das Relais K3 weiterhin nicht anziehen kann. Das könnte passieren, da gleichzeitig das Relais K1 anzieht und sein Schließer-Kontakt K1(21-24) geschlossen wird. Das Relais K1 geht dabei über seinen Schließer K1(11-14) in Selbsthaltung. Der Motor dreht weiter, da der Kontakt K3(11-12) immer noch geschlossen bleibt. Erst wenn der Motor den Sensor B1 wieder erreicht, wird das Relais K4 angezogen, der Schließer K4(21-24) geschlossen und folglich das Relais K3 angezogen. Der Kontakt K3(11-12) öffnet. Das Lastrelais K2 fällt ab, Motor bleibt stehen.

Auf dem zweiten Schaltplan sind zusätzlich die Freilaufdioden und Leuchtdioden eingezeichnet. Die Freilaufdioden D1 bis D4 sind in der Testschaltung nicht eingebaut. Sie haben nur eine Schutzfunktion. Die induktiven Spannungen, die bei Abschalten der Relais entstehen, können andere elektronische Komponenten beschädigen bzw. zur Fehlfunktionen führen. Bei einer praktischen Anwendung sind sie unbedingt anzuwenden. Hier könnte man z.B. die Dioden 1N4007 einsetzen. Alternativ können andere Schutzmaßnahmen getroffen werden.

Die Leuchtionen LED1 bis LED4 dienen nur Visualisierung. Sie zeigen, zu welchem Zeitpunkt die Relais zugeschaltet werden.

Schaltplan mit Dioden

Schaltplan mit Freilaufdioden und LEDs

Testschaltung

Testschaltung

Testschaltung

Kurzvideo

Kurzvideo zur Schaltung


Weitere Themen:


Google-Suche auf MEINE-SCHALTUNG.de :


Home Impressum Datenschutz