Sinamics - Reihe von Siemens


Google-Suche auf MEINE-SCHALTUNG.de :





Online Rechner

Chronik

Dauerkalender


Videoüberwachung mit Mini-Kamera

Mit einem Arduino-Mikrocontroller, einer Mini-Kamera und wenig Verdrahtung lässt sich eine einfache Videoüberwachung realisieren. Die Komponenten, die in diesem Versuch zum Einsatz kommen, sind Arduino Uno, ein Mini-Kamera-Modul mit der Bezeichnung 0V7670, zwei Widerstände und einige Verbindungsbrücken. Über ein USB-Kabel werden die von der Kamera erfassten Bilder auf einem PC ausgegeben.

Kamera-Modul 0V7670

Kamera Frontansicht

Frontansicht

Kamera Rückseite

Kamera Rückseite

Das Modul verfügt über eine 18-polige Stiftleiste. Versorgungs- und Logikspannung betragen 3,3 VDC. Höhere Spannungen können das Modul beschädigen.

Pinbelegung

Pinbelegung (18-polige Anschlussleiste)

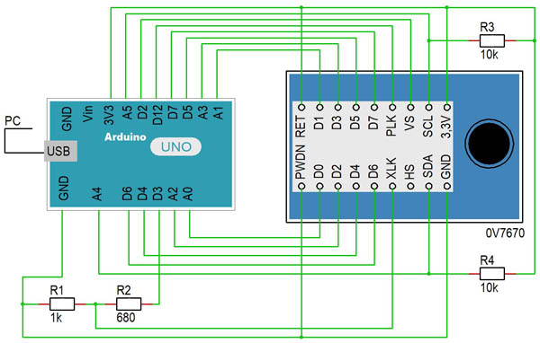
Schaltplan

Schaltplan

An die Anschlüsse SCL und SDA sind zwei Pullup-Widerstände R3 und R4 angeschlossen. Es sind 10 kOhm Widerstände. Die Widerstände R1 und R2 bilden einen Spannungsteiler, der 5V auf 3,3V senkt. Der Kamera-Anschluss XLK arbeitet mit 3,3V Logik und könnte mit 5V beschädigt werden. Die Widerstände haben die Werte R1 = 1000 Ohm und R2 = 680 Ohm.

Testschaltung

Testschaltung mit Kamera


Testschaltung-Verdrahtung



Programm

Um das von der Kamera erfasste Bild auf dem PC zu zeigen, werden die Arduino IDE und ein Plug-In-Programm benötigt. Zunächst müssen wir Arduino-Mikrocontroller mit einem Sketch versorgen. Unter https://github.com/indrekluuk/LiveOV7670 findet man ein Beispiel, das hier verwendet wird. Auf der Seite gibt es weitere Erläuterungen und Anschlussbeispiele des Moduls 0V7670 an Arduino Uno, Nano und Mega. In unserem Versuch kommt ein Arduino Uno zum Einsatz.

Live0V7670

Der Ordner wird als eine .zip-Datei (LiveOV7670-master) heruntergeladen und extrahiert.

Bibliothek
Bevor das Programm geladen werden kann, muss die Bibliothek "CameraOV7670.h" installiert werden. Hierzu kopiert man aus der extrahierten Datei den Ordner LiveOV7670-master/src/lib/LiveOV7670Library in den Bibliotheken-Ordner des Arduino: Dokumente/Arduino/libraries.

Einstellungen
Vor dem Laden des Programms sind noch einige Einstellungen vorzunehmen.
Mit Arduino IDE (hier Version 1.8.19) wird der SketchLiveOV7670-master/src/LiveOV7670/LiveOV7670.ino gestartet. Gleichzeitig werden mehrere Dropdown-Menüs geöffnet:

LiveOV7670.ino
Adafruit_ST7735_mod.ccp
Adafruit_ST7735_mod.h
ExampleGrayscale20Hzinterlaced.spp
ExampleTftBufferedCameraFrame.cpp
ExampleTftPixelByPixelCameraFrame.cpp
ExampleUart.cpp
GrayScaleTable.h
Setup.h

In dem Menü ExampleUart.cpp wird der unter #define angegebene Modus auf 3 gesetzt:
#define UART_MODE 5
Auch andere Modis können ausprobiert werden.

In dem Menü Setup.h entscheiden wir uns für das Beispiel Nr. 5:
#define EXAMPLE 5

Anschließend kann das Programm (Sketch) in Arduino geladen werden.

Plug-in
Um die von der Kamera via Arduino an den Computer gesendeten Bilder sehen zu können, wird ein weiteres Programm benötigt. Es handelt sich um ein Plug-in-Programm mit dem Namen „ArduImageCapture“, das in die Arduino IDE implementiert werden muss. Damit wird die Arduino IDE um weitere Funktionen erweitert und kann die Bilddaten von der Kamera interpretieren und verarbeiten.
Das Plug-in „ArduImageCapture“ ist unter https://github.com/indrekluuk/ArduImageCapture zu finden und kann auch unter Eingabe der folgenden Adresse https://circuitjournal.com/download/ArduImageCapture.1.1.zip heruntergeladen werden.

ArduImageCapture (github)
ArduImageCapture (Download circuitjournal.com)

Die .zip-Datei muss entpackt werden und der Inhalt in den Ordner „tools“ (gegebenfalls muss der Ordner angelegt werden) unter Dokumente/Arduino/ kopiert werden.
Damit sind die Software-Vorbereitungen abgeschlossen.
In Arduino IDE kann dann unter „Werkzeuge“ ArduImageCapture“ gestartet werden. Die Übertragungsrate wird auf 0,5 Mbit/s eingestellt. Mit „Listen“ beginnt die Übertragung der Bilder, die Kamera erfasst.


Kurzvideo

Kurzvideo


Weitere Themen:


Google-Suche auf MEINE-SCHALTUNG.de :


Home Impressum Datenschutz