Luftzylinder Parallelschaltung


Google-Suche auf MEINE-SCHALTUNG.de :





Online Rechner

Chronik

Dauerkalender


Regentonne mit Wasseraustausch
(Relais-Steuerung)

Es gibt zahlreiche Beispiele für Steuerungen zur Befüllung von Regentonnen mit Regenwasser. Die wohl einfachste und sicher billigste Methode ist die, die gar keine Steuerung erfordert. Man stellt in diesem Fall eine Regentonne einfach unter einer Dachrinne.
Wir werden uns mit dieser einfachsten Methode jedoch nicht zufriedengeben und statten unser Regenwasser Auffangsystem mit einer Steuerung aus, die gleich zwei Aufgaben erfüllen soll. Sie soll nicht nur dafür sorgen, dass die Regentonne möglichst stets mit Wasser befüllt wird. Sie soll auch dafür sorgen, dass die Regentonne kein abgestandenes, sondern möglichst frisches Regenwasser enthält.
Unser System besteht aus zwei Behältern. Ein kleiner Behälter wird direkt unter der Hausrinne positioniert. Er ist mit einem Netz oder Filter ausgestattet, um Verunreinigungen, die gelegentlich aus dem Dach kommen, auszusortieren. In dem Behälter befinden sich eine kleine Wasserpumpe und zwei Wasser-Niveauschalter mit jeweils potenzialfreiem Schließer-Kontakt. Das Regenwasser wird im Regenfall aus diesem Behälter in die eigentliche große Regentonne gepumpt. Die Regentonne kann damit an einer beibiegen Stelle im Garten aufgestellt und „versteckt“ werden.
Die Überwachung der Wasserstände in beiden Behältern sowie das Pumpen von Wasser wird von einer aus Relais aufgebauten Schaltung gemanagt. Die Schaltung, um Energie zu sparen, ist so aufgebaut, dass sie sich nur im Regenfall aktiviert. Sobald alle Aufgaben erledigt sind, schaltet sie sich automatisch wieder ab und verbraucht in Wartestellung keinen Strom.

Grundaufbau

Regentonne mit Wasseraustausch (Grundaufbau)

Bei Bedarf kann der Regenwasser-Auffangbehälter mit zwei Öffnungen ausgestattet werden (Auf dem Bild gegenzeichnet mit A und B). Mit dem Abfluss A könnte der Behälter zwecks Reinigung geleert werden. Abfluss B würde bei drohendem Überlauf zum Einsatz kommen. Die Wasserpumpe ist mit einem Schlauch mit der eigentlichen großen Regentonne, die irgendwo im Garten an einer geeigneten Stelle aufgestellt ist, verbunden.
In der großen Regentonne befinden sich ähnlich wie in dem kleinen Behälter zwei Wasser-Niveauschalter und eine Bodenöffnung, die mit einem Abwasserkanal verbunden ist. Die Bodenöffnung ist mit einem Magnetventil, das von unserer Steuerung geschaltet wird, ausgestattet.
Das Ziel der Einrichtung ist es, die große Regentonne im Regenfall mit Wasser zu füllen und für einen, sofern neues Regenwasser vorhanden ist, permanenten Wasseraustausch zu sorgen.

Relais

Relais 12V

Die Schaltung besteht aus insgesamt vier Relais, die jeweils über zwei Wechsler verfügen. Die Kontakte können mit 1A belastet werden. Bei Aufbau von solchen Schaltungen ist stets darauf zu achten, dass Signalgeber (in unserem Fall sind das Niveauschalter) nicht mit Endabnehmer (Ventil, Pumpe) belastet werden. Die Schaltung kann selbstverständlich auch mit anderen Relais bzw. Schützen aufgebaut werden. Daher beziehen sich die Kontakt-Bezeichnungen auf den Plan nicht konkret auf diese Relais. Sie entsprechen den allgemeinen Bezeichnungen, die heute verwendet werden. Bei Kontaktbezeichnung 13-14, 23-24, 33-34 usw. handelt es sich z.B. um Schließer-Kontakte, Bezeichnungen wie 11-12, 21-22, 31-32 usw. beziehen sich auf Öffner.

Sanyou-Relais

Niveauschalter Auffangbehälter

Schwimmschalter waagenrecht

In dem Wasser-Auffangbehälter sind zwei Niveauschalter angebracht. Beide Schalter stellen jeweils einen Schließer/Öffner-Kontakt zur Verfügung. Je nach Montage kann der Kontakt als Schließer oder als Öffner verwendet werden. Mit dem oberen Schwimmschalter S1 wird die Schaltung aktiviert. Der zweite Schwimmschalter ist für die unbedingte Abschaltung der Schaltung zuständig. Er sorgt dafür, dass die Pumpe nicht trocken läuft. Beide Schalter markieren zwei Wasserniveaus (Min und Max). So kann errechnet werden, welches Wasser-Volumen jeweils in die Regentonne abgepumpt wird.

Niveauschalter Auffangbehälter

Wasservolumen

Wasservolumen

Die Schwimmschalter S1 und S2 sowie S3 und S4 bestimmen das Wasservolumen, dass aus der Regentonne abgelassen und später aus dem Auffangbehälter nachgepumpt wird. Damit jeder Vorgang dazu führt, dass die Regentonne stets voll mit Wasser gefüllt ist, muss sichergestellt werden, dass V1 >= V2 ist.
In unserer Testschaltung sehen die Verhältnisse wie folgt aus:
V1 = h* π*r² = 4 * 3,14 * 10² = 1256 cm³
V2 = 18 * 31 * 2 = 1116 cm³
Damit ist gegeben: V1 > V2

Niveauschalter Regentonne

Schwimmschalter ZP4510

Auch in der Regentonne werden zwei Niveauschalter angebracht. Ähnlich wie die Schwimmschalter im Auffangbehälter verfügen sie über einen Kontakt, der abhängig von der Montage als Schließer oder Öffner verwendet werden kann. Der obere Schalter S3 unterbricht die Wasserzufuhr, so kann es zu keinem Überlauf kommen. Der zweite Schwimmschalter S4 unterbricht den Wasserabfluss, der mit dem Ventil Y1 realisiert wird.

Niveauschalter Regentonne

Magnetventil

Magnetventil

Mit dem Ventil, das im Boden der Regentonne montiert ist, wird beim Regen das Wasser aus der Regentonne abgelassen. Wie viel Wasser pro Vorgang abgelassen wird, wird mit dem Schwimmschalter S4 begrenzt. Wasser aus der Regentonne wird nur dann abgelassen, wenn der Auffangbehälter voll ist. Damit wird sichergestellt, dass anschließend genug Wasser zum Auffüllen der Regentonne zur Verfügung steht.

Magnetventil

Pumpe

Pumpe

Das Wasser wird aus dem Auffangbehälter in die Regentonne mithilfe einer 5V Wasserpumpe befördert. Damit die Regentonne nach dem Einsatz der Pumpe stets vollständig mit Wasser gefüllt ist, muss bei dem Aufbau dafür gesorgt werden, dass das Wasservolumen-Verhältnis V1 > V2 ist.

Wasserpumpe 5V

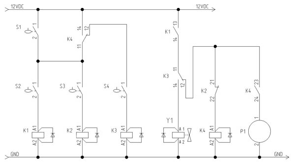
Schaltplan

Schaltplan

In dem Ausgangsplan werden alle Komponenten mit 12V bedient. In unserer Testschaltung arbeitet die kleine Wasserpumpe mit 5V. Daher ist kleine Planänderung notwendig. Zusätzlich, um die Schaltvorgänge besser beobachten zu können, werden in die Schaltung einige LEDs eingepflegt. Die Testschaltung sieht dann wie folgt aus:

Schaltplan mit LEDs

Die Schaltung wird nur dann aktiviert, wenn der Auffangbehälter voll ist. Dann sind die Schwimmschalter S1 und S2 geschlossen, das Relais K1 angezogen. In der Regentonne sind dann grundsätzlich zwei Szenarien möglich.
Szenario 1:
Regentonne ist leer oder hat nur wenig Wasser. In dem Zustand sind die Schwimmschalter S3 und S4 geöffnet. Der Schließer-Kontakt K1-13/14 ist geschlossen, die Öffner-Kontakte K3-11/12 und K2-21/22 ebenfalls. Das Relais K4 zieht an, sein Kontakt K4-23/24 versorgt die Pumpe P1 mit Strom. Das Wasser aus dem Auffangbehälter wird in die Regentonne gepumpt. Der Vorgang dauert solange, bis die Regentonne voll (S3 schließt, K2 zieht an) ist oder Auffangbehälter kein Wasser mehr hat (K1 fällt ab).
Szenario 2:
Das Wasser Niveau in der Regentonne liegt über den Schalter S4 oder Regentonne ist voll (dann ist auch S3 geschlossen).
Mit dem Schalter S4 wird K3 eingeschaltet. Der Kontakt K3-11/14 schließt und das Magnetventil Y1 öffnet. Das Wasser aus der Regentonne fließt ab. Der Vorgang dauert solange, bis S4 wieder öffnet. Anschließend beginnt der Pumpvorgang (Szenario 1).
So sorgt die Schaltung dafür, dass die Regentonne, falls sie leer war, mit Wasser gefüllt wird. Ansonsten wird im Regenfall permanent das Wasser aus der Regentonne abgelassen und mit frischem Wasser aus dem Auffangbehälter wieder ersetzt.

Kurzvideo


Weitere Themen:


Google-Suche auf MEINE-SCHALTUNG.de :


Home Impressum Datenschutz